热门关键词好会计 好业财 T+ 易代账 好生意 用友U8 用友BIP

    详细信息

    您现在的位置:网站首页 >> 百科问答 >> 详细信息

    用友T6-erp存货核算应用说明

    特价活动:>>>> 畅云管家新购、续费8折优惠,畅捷通T+cloud、好会计、易代账、好业财、好生意云产品8折优惠 

    概述 

    【存货核算】存货核算可分为工业版存货核算与商业版存货核算。存货核算是从资金的角度管理存货的出入库业务,主要用于核算企业的入库成本、出库成本、结余成本。反映和监督存货的收发、领退和保管情况。反映和监督存货资金的占用情况。与“总账系统”集成,可以将单据生成的凭证传递到总账系统,实现财务业务一体化。 

    【存货核算】面向中小型工业企业、商品流通企业等有存货核算要求的用户,应用行业主要有:医药、食品、家电、机械、化工等行业。

    【存货核算】可与采购管理、库存管理、销售系统、总账系统、应付款管理等集成使用。 
    【存货核算】本系统面向的使用者:存货会计、成本会计、财务主管。


    主要功能特点 

     本系统可对数量、金额均具备的出入库存货进行核算,也可对只有数量无金额的存货如赠品、附属物等存货进行核算。
     本系统支持工业和商业各 6 种计价方式:全月平均、移动平均、先进先出、后进先出、个别计价、计划价核算/售价核算。
     可按仓库进行核算,也可按部门(即多个仓库)进行核算,也可按存货进行核算。
     可利用出入库调整单对本月已记账单据进行修改,并同时修改明细账或差异账/差价账。
     凡当时不能确定入库单价的,均可以暂估价入库,当与采购系统集成使用时,可对暂估报销单据进行成本处理;当单独使用时,可填制调整单对金额进行调整。
     与采购集成使用时,对跨月的暂估入库单,本月报销后,可选择月初回冲暂估金额、单到回冲暂估金额或调整暂估金额进行成本处理。
     可单独记录及核算受托代销的库存商品明细账和统计报表。
     可单独记录及核算发出商品业务的发出商品明细账和统计报表。
     可调整预定的售价或计划单价,系统自动计算调整后的进销差价或差异。
     可对没有入库成本的产成品分配成本。
     本系统适用企业范围广泛,覆盖不同行业的各种企业。
     数据精度分数量、单价,可自由设定。
     系统提供按仓库、存货或收发类别等多种口径统计,具有强大丰富的综合统计查询功能,可灵活输出各类报表。
     可按照指定存货和指定仓库出存货明细账、总账、差异明细账等。
     提供存货资金的占用分析及周转分析。
     提供存货 ABC 分析。
     事件回卷安全机制,实现不论出现任何意外情况,如断电等,都能始终保证数据的完整性和一致性。
     通用灵活,功能丰富,使用简便,易学易用。
     亲切友好的操作界面。
     "所查即所需,所见即所得"。可对显示出的账簿栏目进行任意拖动及缩放,使用户非常方便地改变栏目内容的次序和栏目宽度。提供完备的打印预览、页面设置等功能,根据用户设置纸张的大小自动缩放,并可从屏幕上观看到打印效果。


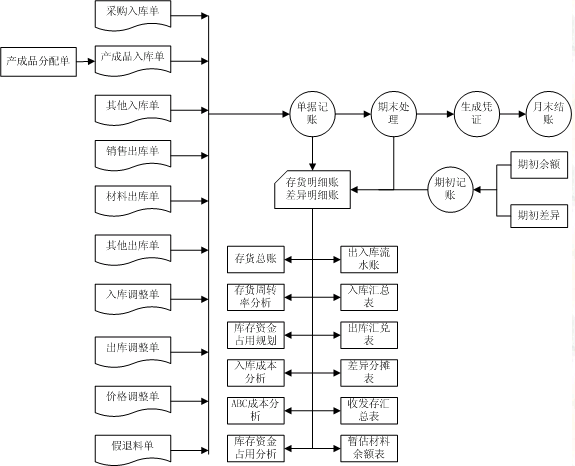
    应用流程 


    说明:
     用户进入系统初始,进行初始设置。
     录入期初数据,进行期初记账。
     进行单据录入操作。
     进行单据记账/期末处理,计算成本。
     对已记账单据生成凭证,传递给总账。
     对存货数据进行统计分析、账表查询。


    产品接口 
    本系统是供销链系统的一部分,与其他供销链产品有着密切的关系,其接口如下:


    说明:
     本系统生成的各种单据、凭证,可用于账务处理系统生成总账。
     本系统可对采购入库单进行记账核算,对采购暂估入库单进行结算成本处理。
     本系统可对销售出库单进行记账核算。
     本系统可对销售系统生成的销售发票、发货单进行记账核算。
     本系统可对库存系统生成的各种单据进行记账核算。

    与采购管理系统集成使用时
     设置存货暂估入库的成本处理方式,包括:月初回冲、单到回冲、单到补差。
     采购入库单由采购系统生成,存货核算系统可修改采购入库单的单价和金额,对采购入库单进行记账。
     采购入库时,如果当时没有入库成本,采购系统可对所购存货暂估入库,报销时,存货核算系统可根据用户所选暂估处理方式进行不同处理。

    与库存管理系统集成使用时
     期初结存数量、结存金额可从库存管理系统进行取数,并与库存管理系统进行对账。
     采购入库单、销售出库单、产成品入库单、材料出库单、其他入库单、其他出库单由库存系统输入,存货核算系统不能生成以上单据,只能修改其单价、金额项。
     库存系统生成的调拨单、盘点单、组装拆卸单、形态转换单,由本系统填入其存货单价、成本;库存系统将其保存并生成其他出入库单,对这类出入库单,存货核算系统不可修改,只能进行记账。
     统一进行结转上年处理。


    与销售系统集成使用时
     从销售系统取分期收款发出商品期初数据、委托代销发出商品期初数据。
     可对销售系统生成的销售发票、发货单进行记账。

    与总账系统集成使用时
     应对存货科目、对方科目、税金科目等进行设置。
     当本会计月进行月末结账之前,可对本会计月的记账单据生成凭证。
     将生成的凭证传递到总账系统中。

    与应付款管理系统集成使用时
    存货核算系统中对采购结算单制单时需要将凭证信息回填到所涉及的采购发票和付款单上,应付款管理系统对于这些单据不进行重复制单;若应付款管理系统先对这些单据制单了,存货核算系统同样不可以进行重复制单

     

     

    上一篇:用友T6库存管理单据使用指南

    客服电话:400-665-0028

    关键字:用友财务软件,畅捷通软件,财务软件,进销存软件,U9官网,用友U8,用友T1,用友T+,用友T3,用友T6,畅捷通好会计,好生意,智+好业财,用友培训服务售后公司,畅捷通运营培训服务公司

    版权所有:用友畅捷通软件 Copyright © 2026 All rights reserved.

    鲁ICP备2020041017号-6